Tlumič hranatý 200/0700mm
Kód: 6894Detailní popis produktu
Pláště tlumiče hluku vyrábíme z pozinkovaného materiálu, vnitřní plášť je děrovaný. Tlumicí vrstvou je minerální vlna s netkanou textilií.
Naši zákazníci nejčastěji používají tlumiče u objektů v zástavbě, kde je požadavek na nízkou hladinu hluku, typicky na výfuku z restaurací, penzionů či klubů.
Technický popis
Standardní provedení
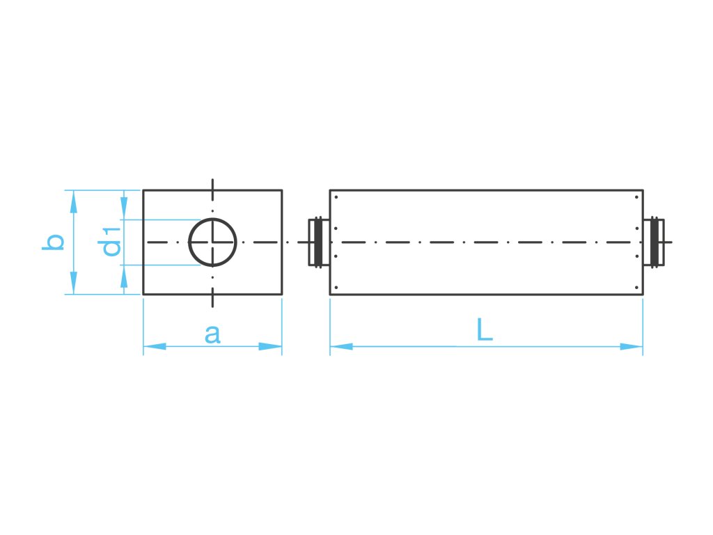
- Tlumič hluku s obdélníkovým pláštěm a kruhovým vnitřním průměrem.
- Výhodou tohoto tlumiče jsou lepší útlumy v nízkých frekvencích.
- Běžné délky tlumičů 500 a 1000 mm.
- Těsnění je dvoubřité z materiálu EPDM.
- Vnější průměr je tvořen spiro rourou, u atypických průměrů hladkou rourou.
- Vnitřní roura je z děrovaného plechu.
- Izolační hmotou je minerální izolace.
- Hrdlo tlumiče tmeleno – tmel bez silikonu.
- Proti sprášení izolace je vnitřní roura tlumiče opatřena netkanou textilií.
- Limity: proudění vzduchu 20 m/s, pracovní přetlak 2000 Pa a podtlak max. 1500 Pa.
Možnosti speciálního provedení
- Průměr mimo rozměrovou řadu.
- Úhel dle požadavku.
- Změna materiálu, například nerez AISI 304.
- Povrch nerezu v lesku nebo v matu.
- Bez těsnění.
Doplňkové parametry
| Kategorie: | Tlumič hluku hranatý |
|---|---|
| Průměr d1: | 200 |
| rozměr a (mm): | 230 |
| Délka L (mm): | 700 |
| rozměr b (mm): | 280 |
Diskuze
Buďte první, kdo napíše příspěvek k této položce.
