Tlumič plochý 100/345/500
Kód: 5430Detailní popis produktu
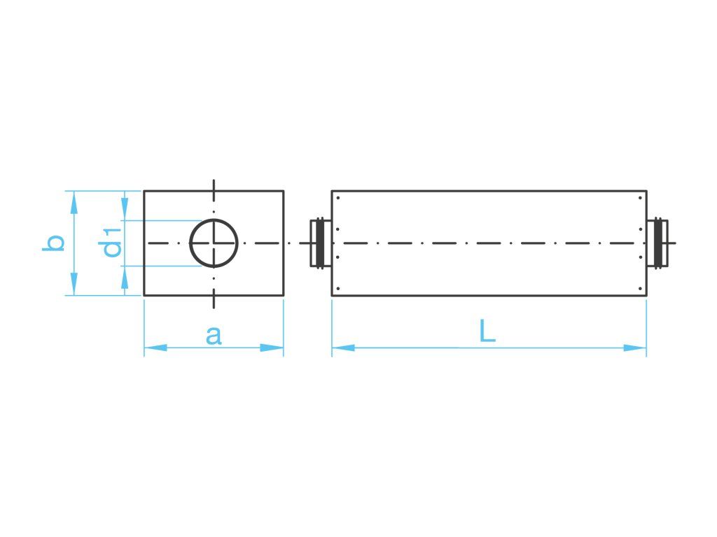
Pláště tlumiče hluku vyrábíme z pozinkovaného materiálu, vnitřní plášť je děrovaný. Tlumicí vrstvou je minerální vlna s netkanou textilií.
Naši zákazníci nejčastěji používají tlumiče u objektů v zástavbě, kde je požadavek na nízkou hladinu hluku, typicky na výfuku z restaurací, penzionů či klubů.
Technický popis
Standardní provedení
- Tlumič hluku s obdélníkovým pláštěm a kruhovým vnitřním průměrem.
- Výhodou tohoto tlumiče jsou lepší útlumy v nízkých frekvencích.
- Běžné délky tlumičů 500 a 1000 mm.
- Těsnění je dvoubřité z materiálu EPDM.
- Vnější průměr je tvořen spiro rourou, u atypických průměrů hladkou rourou.
- Vnitřní roura je z děrovaného plechu.
- Izolační hmotou je minerální izolace.
- Hrdlo tlumiče tmeleno – tmel bez silikonu.
- Proti sprášení izolace je vnitřní roura tlumiče opatřena netkanou textilií.
- Limity: proudění vzduchu 20 m/s, pracovní přetlak 2000 Pa a podtlak max. 1500 Pa.
Možnosti speciálního provedení
- Průměr mimo rozměrovou řadu.
- Úhel dle požadavku.
- Změna materiálu, například nerez AISI 304.
- Povrch nerezu v lesku nebo v matu.
- Bez těsnění.
Doplňkové parametry
| Kategorie: | Ploché tlumiče |
|---|---|
| EAN: | 8595238998899 |
Buďte první, kdo napíše příspěvek k této položce.
Přidat komentář
