Výfukový kus 45 315
Kód: 774Detailní popis produktu
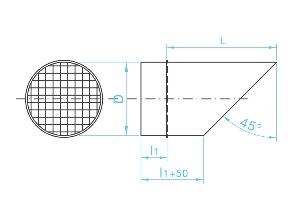
- Štít pod úhlem 45° slouží k ochraně potrubí před deštěm.
- Opatřen pletivem proti ptactvu.
- Vyroben z pozinkovaného plechu a pozinkovaného svařovaného pletiva.
- Místa po bodovém svařování jsou ošetřena zinkem.
Možnosti speciálního provedení
- Rozměry mimo rozměrovou řadu.
- Změna materiálu, například nerez AISI 304.
- Povrch nerezu v lesku nebo v matu.
Doplňkové parametry
| Kategorie: | Výfukové kusy 45 |
|---|---|
| Hmotnost: | 1.8 kg |
| Průměr D (mm): | 315 |
| Délka l1 (mm): | 60 |
| Délka L (mm): | 470 |
Buďte první, kdo napíše příspěvek k této položce.
Přidat komentář
